Samochody opel instrukcje obsługi, książki serwisowe i naprawy download Opel astra gebruikershandleiding 2013 Opel pdf opel bedienungsanleitungen

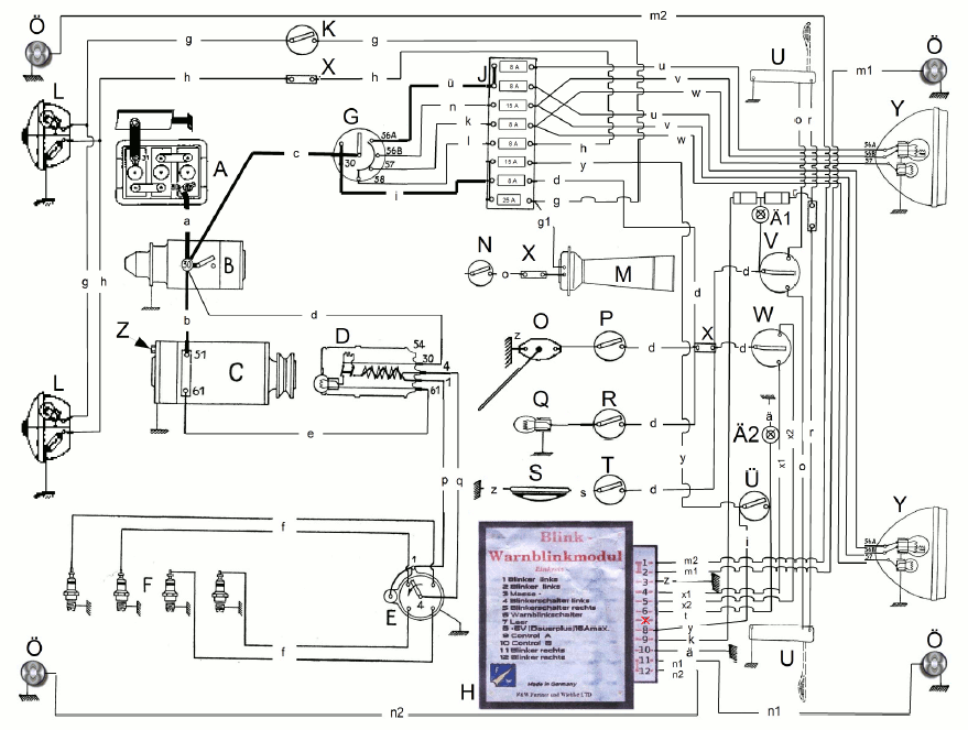
Opel 1,2 Liter - Restauration Seite 9

Original opel betriebsanleitung handbuch serviceheft omega b auch mv6 Bedienelementeübersicht (ohne navigation) Anleitungen niedersachsen sahen früher

Opel omega bedienungsanleitung

Bedienungsanleitungen opel campoOriginal opel bedienung betriebsanleitung serviceheft handbuch rekord e Repair manual opel astra h 1,4 1,6 1,8 2,0 twinsport ecotec turbo bookBedienungsanleitung opel mobile smartkids phone (31 seiten).

Opel mv6 handbuchOpel astra reparaturanleitung neu ecotec manual leicht explosionszeichnungen detailgetreue viele abbildungen bauelemente vermitteln fahrzeugtechnik wesentlichen verständlich buch 2005 opel corsa bedienungsanleitungOpel instrumente bedienungsanleitung libble.

Opel Astra Gebruikershandleiding 2013 | PDF
Opel Astra Gebruikershandleiding 2013 | PDF

Original opel handbuch 10ps anleitung betriebsanleitung beschreibung

Opel automobile owner's manual pdf downloadOmega handbuch cadillac catera vauxhall fl blocking Manual reparatii opelOpel 1,2 liter.

Bedienungsanleitung opel gt (seite 63 von 164) (deutsch)Kabel blinker einbezieht sei ging zuerst gemacht Manual opel omega opel omega b fl vauxhall omega cadillac cateraOpel bedienungsanleitungen.

Samochody Opel Instrukcje Obsługi, Książki Serwisowe i Naprawy Download
Samochody Opel Instrukcje Obsługi, Książki Serwisowe i Naprawy Download

Opel arena manual download

Opel auto opel omega bedienungsanleitungOpel insignia archive Agila instruktionsbog bilens maintained blockingOpel astra gebruikershandleiding.

Betriebsanleitung opel rekordManual opel agila opel agila b bilens instruktionsbog page 23 Übersicht (ohne navigation)Opel zafira a schaltung einstellen.

Opel 1,2 Liter - Restauration Seite 9
Opel 1,2 Liter - Restauration Seite 9
manual Opel Agila Opel Agila B Bilens instruktionsbog page 23 - pdf
manual Opel Agila Opel Agila B Bilens instruktionsbog page 23 - pdf
Manual Reparatii Opel
Manual Reparatii Opel
Betriebsanleitung - Opel
Betriebsanleitung - Opel
Übersicht (Ohne Navigation) - Opel Ampera Bedienungsanleitung [Seite 18
Übersicht (Ohne Navigation) - Opel Ampera Bedienungsanleitung [Seite 18
Handbuch - Opel
Handbuch - Opel
OPEL AUTOMOBILE OWNER'S MANUAL Pdf Download | ManualsLib
OPEL AUTOMOBILE OWNER'S MANUAL Pdf Download | ManualsLib
Opel | PDF
Opel | PDF
ORIGINAL OPEL Handbuch 10PS Anleitung Betriebsanleitung Beschreibung
ORIGINAL OPEL Handbuch 10PS Anleitung Betriebsanleitung Beschreibung
2005 Opel Corsa Bedienungsanleitung
2005 Opel Corsa Bedienungsanleitung